Toyota Yaris: Airbag System / Driver Frontal Stage 1 Deployment Control Circuit Short to Battery (B000112)

Toyota Yaris XP210 (2020-2026) Reapir and Service Manual / Vehicle Interior / Supplemental Restraint Systems / Airbag System / Driver Frontal Stage 1 Deployment Control Circuit Short to Battery (B000112)

DESCRIPTION

DTC No.

Detection Item

DTC Detection Condition

Trouble Area

Warning Indicate

Test Mode / Check Mode

B000112

Driver Frontal Stage 1 Deployment Control Circuit Short to Battery

  • The airbag sensor assembly detects a short to B+ in the driver seat airbag squib circuit for 0.5 seconds
  • Spiral cable sub-assembly malfunction
  • Horn button assembly malfunction
  • Airbag sensor assembly malfunction
  • Harness or connector
  • Spiral cable sub-assembly
  • Horn button assembly
  • Airbag sensor assembly

Comes on

Applies to check mode

WIRING DIAGRAM

CAUTION / NOTICE / HINT

NOTICE:

After turning the ignition switch off, waiting time may be required before disconnecting the cable from the negative (-) auxiliary battery terminal.

Click here

HINT:

  • To perform the simulation method, select Check Mode with the GTS.

    Click here

  • Perform the simulation method while checking the Data List.

    Click here

  • When disconnecting and reconnecting the cable to the auxiliary battery terminal, there is an automatic learning function that completes learning when the respective system is used.

    Click here

PROCEDURE

1.

CHECK CURRENT DTC

(a) Turn the ignition switch to ON, and wait for at least 60 seconds.

(b) Check for DTCs.

Body Electrical > SRS Airbag > Trouble Codes

Result

Proceed to

Current B000112 is output

A

History B000112 is output

B

B

USE SIMULATION METHOD TO CHECK

A

2.

CHECK CONNECTION OF CONNECTORS

(a) Turn the ignition switch off.

(b) Disconnect the cable from the negative (-) auxiliary battery terminal.

CAUTION:

Wait at least 60 seconds after disconnecting the cable from the negative (-) auxiliary battery terminal to disable the SRS system.

(c) Check that the connectors are properly connected to the horn button assembly, spiral cable sub-assembly and airbag sensor assembly.

OK:

The connectors are properly connected.

NG

CONNECT CONNECTORS PROPERLY

OK

3.

CHECK CONNECTORS

(a) Disconnect the connectors from the horn button assembly, spiral cable sub-assembly and airbag sensor assembly.

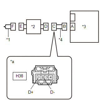
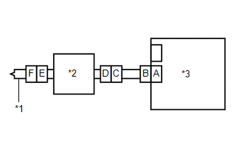
*1

Horn Button Assembly

*2

Spiral Cable Sub-assembly

*3

Airbag Sensor Assembly

*4

Wire Harness

(b) Check that the terminals of the connectors are not deformed or damaged.

OK:

The terminals of the connectors are not deformed or damaged.

(c) Check that the short springs of the activation prevention mechanisms of the wire harness connector and spiral cable sub-assembly connector are not deformed or damaged.

OK:

The short springs are not deformed or damaged.

(d) Check that the spiral cable sub-assembly connector (on the horn button assembly side) is not loose, deformed or damaged.

OK:

The airbag connector locking button is not disengaged, and the claw of the lock is not deformed or damaged.

NG

REPLACE SPIRAL CABLE SUB-ASSEMBLY OR REPAIR OR REPLACE WIRE HARNESS

OK

4.

CLEAR DTC

(a) Connect the connectors to the airbag sensor assembly and spiral cable sub-assembly.

*1

Horn Button Assembly

*2

Spiral Cable Sub-assembly

*3

Airbag Sensor Assembly

*a

Front view of wire harness connector

(to Horn Button Assembly)

*b

Color: Light Green

(b) Connect the white wire side of SST (resistance 2.1 Ω) to connector E (light green connector).

CAUTION:

Never connect a tester to the horn button assembly for measurement, as this may lead to a serious injury due to airbag deployment.

NOTICE:

  • Do not forcibly insert SST into the terminals of the connector when connecting it.
  • Insert SST straight into the terminals of the connector.

SST: 09843-18061

(c) Connect the cable to the negative (-) auxiliary battery terminal.

(d) Turn the ignition switch to ON, and wait for at least 60 seconds.

(e) Clear the DTCs stored in memory.

Body Electrical > SRS Airbag > Clear DTCs

(f) Turn the ignition switch off.

NEXT

5.

CHECK HORN BUTTON ASSEMBLY

(a) Turn the ignition switch to ON, and wait for at least 60 seconds.

(b) Check for DTCs.

Body Electrical > SRS Airbag > Trouble Codes

Result

Proceed to

B000112 is not output

A

B000112 is output

B

HINT:

Codes other than DTC B000112 may be output at this time, but they are not related to this check.

(c) Turn the ignition switch off.

(d) Disconnect the cable from the negative (-) auxiliary battery terminal.

CAUTION:

Wait at least 60 seconds after disconnecting the cable from the negative (-) auxiliary battery terminal to disable the SRS system.

(e) Disconnect SST from connector E.

A

REPLACE HORN BUTTON ASSEMBLY

B

6.

CHECK DRIVER SEAT AIRBAG SQUIB CIRCUIT

(a) Disconnect the connector from the airbag sensor assembly.

*1

Horn Button Assembly

*2

Spiral Cable Sub-assembly

*3

Airbag Sensor Assembly

*4

Wire Harness

*a

Front view of wire harness connector

(to Horn Button Assembly)

*b

Color: Light Green

(b) Check for a short to B+ in the circuit.

(1) Connect the cable to the negative (-) auxiliary battery terminal.

(2) Turn the ignition switch to ON.

(3) Measure the voltage according to the value(s) in the table below.

Standard Voltage:

Tester Connection

Switch Condition

Specified Condition

z3-2 - Body ground

Ignition switch ON

Below 1 V

z3-1 - Body ground

Ignition switch ON

Below 1 V

(4) Turn the ignition switch off.

(5) Disconnect the cable from the negative (-) auxiliary battery terminal.

CAUTION:

Wait at least 60 seconds after disconnecting the cable from the negative (-) auxiliary battery terminal to disable the SRS system.

NG

GO TO STEP 9

OK

7.

CLEAR DTC

(a) Connect the connectors to the horn button assembly and airbag sensor assembly.

*1

Horn Button Assembly

*2

Spiral Cable Sub-assembly

*3

Airbag Sensor Assembly

(b) Connect the cable to the negative (-) auxiliary battery terminal.

(c) Turn the ignition switch to ON, and wait for at least 60 seconds.

(d) Clear the DTCs stored in memory.

Body Electrical > SRS Airbag > Clear DTCs

(e) Turn the ignition switch off.

NEXT

8.

CHECK DTC

(a) Turn the ignition switch to ON, and wait for at least 60 seconds.

(b) Check for DTCs.

Body Electrical > SRS Airbag > Trouble Codes

Result

Proceed to

B000112 is not output

A

B000112 is output

B

HINT:

Codes other than DTC B000112 may be output at this time, but they are not related to this check.

A

USE SIMULATION METHOD TO CHECK

B

REPLACE AIRBAG SENSOR ASSEMBLY

9.

CHECK WIRE HARNESS (SHORT TO B+)

(a) Disconnect the connector from the spiral cable sub-assembly.

*1

Horn Button Assembly

*2

Spiral Cable Sub-assembly

*3

Airbag Sensor Assembly

*4

Wire Harness

*a

Front view of wire harness connector

(to Spiral Cable Sub-assembly)

(b) Connect the cable to the negative (-) auxiliary battery terminal.

(c) Turn the ignition switch to ON.

(d) Measure the voltage according to the value(s) in the table below.

Standard Voltage:

Tester Connection

Switch Condition

Specified Condition

H38-1 (D+) - Body ground

Ignition switch ON

Below 1 V

H38-2 (D-) - Body ground

Ignition switch ON

Below 1 V

(e) Turn the ignition switch off.

(f) Disconnect the cable from the negative (-) auxiliary battery terminal.

CAUTION:

Wait at least 60 seconds after disconnecting the cable from the negative (-) auxiliary battery terminal to disable the SRS system.

OK

REPLACE SPIRAL CABLE SUB-ASSEMBLY

NG

REPAIR OR REPLACE HARNESS OR CONNECTOR

    Driver Frontal Stage 1 Deployment Control Circuit Short to Ground (B000111)

    DESCRIPTION DTC No. Detection Item DTC Detection Condition Trouble Area Warning Indicate Test Mode / Check Mode B000111 Driver Frontal Stage 1 Deployment Control Circuit Short to Ground The airbag sensor assembly detects a short to ground in the driver seat airbag squib circuit for 0...

    Driver Frontal Stage 1 Deployment Control Circuit Open (B000113)

    DESCRIPTION DTC No. Detection Item DTC Detection Condition Trouble Area Warning Indicate Test Mode / Check Mode B000113 Driver Frontal Stage 1 Deployment Control Circuit Open The airbag sensor assembly detects an open in the driver seat airbag squib circuit for 2 seconds Spiral cable sub-assembly malfunction Horn button assembly malfunction Airbag sensor assembly malfunction Harness or connector Spiral cable sub-assembly Horn button assembly Airbag sensor assembly Comes on Applies to check mode WIRING DIAGRAM CAUTION / NOTICE / HINT NOTICE: After turning the ignition switch off, waiting time may be required before disconnecting the cable from the negative (-) auxiliary battery terminal...

    Other information:

    Toyota Yaris XP210 (2020-2026) Owner's Manual: Turn Signals


    Move the signal lever down (for a left turn) or up (for a right turn) to the stop position. The signal will self-cancel after the turn is completed. If the indicator light continues to flash after a turn, manually return the lever to its original position...

    Toyota Yaris XP210 (2020-2026) Reapir and Service Manual: Lost Communication With ECM/PCM "A" Missing Message (U010087,U012987,U014087,U015587,U016487,U023A87)


    DESCRIPTION The meter mirror sub-assembly communicates with each ECU via CAN communication. DTC No. Detection Item DTC Detection Condition Trouble Area U010087 Lost Communication With ECM/PCM "A" Missing Message Diagnosis Condition: The ignition switch is ON IG power source voltage is 9...

    Categories

    Fuel-Filler Lid and Cap

    WARNING

    When removing the fuel-filler cap, loosen the cap slightly and wait for any hissing to stop, then remove it

    Fuel spray is dangerous. Fuel can burn skin and eyes and cause illness if ingested. Fuel spray is released when there is pressure in the fuel tank and the fuel-filler cap is removed too quickly.

    read more

     
    Copyright © 2026 www.toyaris4.com