Toyota Yaris: Window Defogger System / System Diagram
SYSTEM DIAGRAM

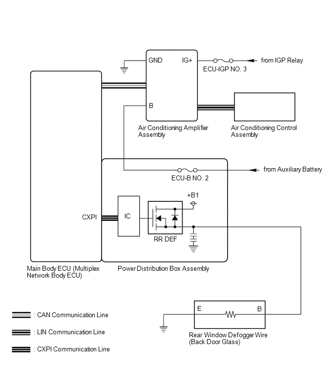
Communication Table
| Transmitter | Receiver | Signal | Communication Method |
| Rear Window Defogger Switch (Air Conditioning Control Assembly) | Air Conditioning Amplifier Assembly | Rear Window Defogger Switch Signal | LIN |
| Air Conditioning Amplifier Assembly | Main Body ECU (Multiplex Network Body ECU) | Rear Window Defogger Operation Signal | CAN |
| Main Body ECU (Multiplex Network Body ECU) | Power Distribution Box Assembly | Rear Window Defogger Operation Signal | CXPI |
PARTS LOCATION ILLUSTRATION
*1 REAR WINDOW DEFOGGER WIRE (BACK DOOR GLASS) *2 NO. 1 ENGINE ROOM RELAY BLOCK AND NO. 1 ENGINE ROOM JUNCTION BLOCK ASSEMBLY - ECU-IGP NO...
SYSTEM DESCRIPTION GENERAL (a) The rear window defogger wire (back door glass) is attached to the inside of the rear window and defogs the window surface quickly when the rear window defogger switch is pressed...
Other information:
INSPECTION PROCEDURE 1. INSPECT CYLINDER BLOCK FOR WARPAGE (a) Using a precision straightedge and feeler gauge, check the surface which contacts the cylinder head gasket for warpage. Maximum Warpage: 0.05 mm (0.00197 in.) HINT: If the warpage is more than the maximum, replace the cylinder block sub-assembly...
DESCRIPTION The certification ECU (smart key ECU assembly) generates a request signal and transmits the signal to the front door outside handle assembly LH (electrical key antenna) at intervals of 0.25 seconds. For the front door outside handle assembly LH (electrical key antenna) to detect when the electrical key transmitter sub-assembly is brought close to the vehicle, a signal requesting a response from the electrical key transmitter sub-assembly is transmitted within approximately 1 m (3...
Categories
The front and side supplemental restraint systems (SRS) include different
types of air bags. Please verify the different types of air bags
which are equipped on your vehicle by locating the “SRS AIRBAG”
location indicators. These indicators are visible in the area where the
air bags are installed.
The air bags are installed in the following locations:
The steering wheel hub (driver air bag)
The front passenger dashboard (front passenger air bag)
The outboard sides of the front seatbacks (side air bags)
The front and rear window pillars, and the roof edge along both
sides (curtain air bags)
read more