Toyota Yaris: Radiator / On-vehicle Inspection
ON-VEHICLE INSPECTION
PROCEDURE
1. INSPECT RESERVE TANK CAP
CAUTION:
Do not remove the reserve tank cap and air release valve while the engine and radiator assembly are still hot. Pressurized, hot engine coolant and steam may be released and cause serious burns.
(a) Measure the valve opening pressure.
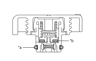
*a | O-ring |
*b | Rubber Packing |
(1) If there are water stains or foreign matter on the O-ring, clean it with water and finger scouring.
(2) Check that the O-ring is not deformed, cracked or swollen.
(3) Apply engine coolant to the O-ring and rubber packing before using a radiator cap tester.
(4) Install the radiator cap tester to the reserve tank cap.
(5) When using the radiator cap tester, tilt it upwards 30° or more. |
| *1 | Reserve Tank Cap | *a | Radiator Cap Tester | *b | 30° or more | | |
(6) Pump the radiator cap tester several times, and check the maximum pressure.
Pump Speed:
1 pump per second
Item | Specified Condition |
Standard pressure (for brand-new reserve tank cap) | 93 to 123 kPa (0.9 to 1.3 kgf/cm2, 13.5 to 18.0 psi) |
Minimum pressure (for used reserve tank cap) | 79 kPa (0.8 kgf/cm2, 11.5 psi) |
HINT:
Even if the reserve tank cap cannot maintain the maximum pressure, it is not a defect.
If the maximum pressure is less than the minimum pressure, replace the reserve tank cap.
(7) Remove the radiator cap tester from the reserve tank cap.
COMPONENTS ILLUSTRATION
*1 FRONT BUMPER ENERGY ABSORBER *2 FRONT BUMPER REINFORCEMENT *3 RADIATOR UPPER AIR GUIDE PLATE *4 NO. 3 AIR CLEANER INLET *5 NO...
REMOVAL CAUTION / NOTICE / HINT HINT: When the cable is disconnected / reconnected to the auxiliary battery terminal, systems temporarily stop operating...
Other information:
ON-VEHICLE INSPECTION CAUTION / NOTICE / HINT HINT:
The following procedure is for the LH side.
Use the same procedure for the RH side and LH side.
PROCEDURE 1. REMOVE FRONT WHEEL Click here
2. SEPARATE FRONT DISC BRAKE CALIPER ASSEMBLY Click here
3...
DESCRIPTION The AWD ECU assembly receives signals from the ECM, steering sensor and skid control ECU (brake actuator assembly) via CAN communication. DTC No. Detection Item DTC Detection Condition Trouble Area Warning Indicate Memory U010087 Lost Communication with ECM/PCM "A" Missing Message When the ignition switch is ON, the IG1 terminal voltage is 10 V or more and the vehicle speed is 60 km/h (37 mph) or more, signals cannot be received from the ECM for 1 second or more
CAN communication system
AWD ECU assembly
ECM
Displayed Yes U012687 Lost Communication with Steering Angle Sensor Module Missing Message
When the following continues:
When the IG1 terminal voltage is 10 V or more, communication with the steering sensor is impossible for 1 second or more
When the IG1 terminal voltage is 10 V or more, a condition in which communication with the steering sensor is impossible occurs 1 time or more within a 5-second period, and this occurs 10 times within 60 seconds
CAN communication system
AWD ECU assembly
Steering sensor
Displayed Yes U012987 Lost Communication with Brake System Control Module Missing Message When the IG1 terminal voltage is 10 V or more, communication with the skid control ECU (brake actuator assembly) is impossible for 3 seconds or more
CAN communication system
AWD ECU assembly
Skid control ECU (Brake actuator assembly)
Displayed Yes PROCEDURE 1...
Categories
Before refueling, close all the doors, windows, and the liftgate/trunk
lid, and switch the ignition OFF.
To open the fuel-filler lid, pull
the remote fuel-filler lid release.

To remove the fuel-filler cap, turn it counterclockwise.
Attach the removed cap to the
inner side of the fuel-filler lid.
read more