Toyota Yaris: Lighting System / Headlight LH Circuit (B243900,B243A00)

Toyota Yaris XP210 (2020-2026) Reapir and Service Manual / Vehicle Exterior / Lighting (ext) / Lighting System / Headlight LH Circuit (B243900,B243A00)

DESCRIPTION

The light control LED ECU supplies internally boosted voltage to the light control LED ECU LH so that the current supplied to the LED is always maintained at a constant value.

These DTCs are also output when the main body ECU (multiplex network body ECU) detects malfunctions while monitoring the applied voltage.

DTC No.

Detection Item

DTC Detection Condition

Trouble Area

B243900

Headlight LH Circuit

  • Ignition switch is to ON, low beam headlights illuminated
Malfunction status:
  • LED (LED) malfunction
  • Open/short in LED (LEG) circuit
  • 10 seconds or more
  • Headlight unit assembly LH
  • Harness or connector
  • Light control LED ECU LH

B243A00

Headlight RH Circuit

  • Ignition switch is to ON, low beam headlights illuminated
Malfunction status:
  • LED (LED) malfunction
  • Open/short in LED (LEG) circuit
  • 10 seconds or more
  • Headlight unit assembly RH
  • Harness or connector
  • Light control LED ECU RH

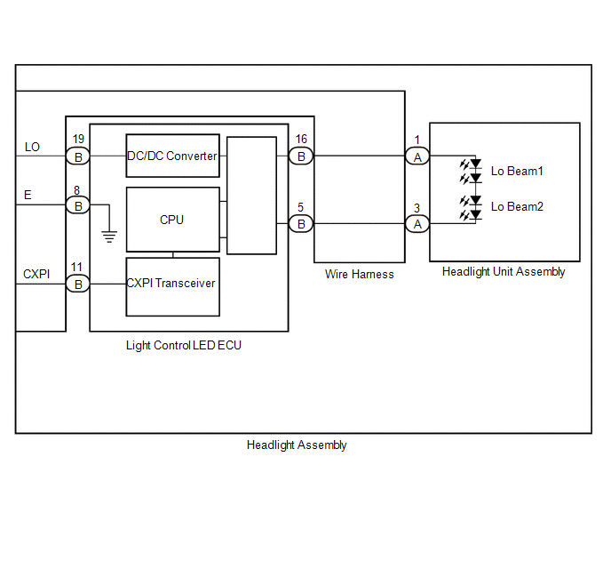
WIRING DIAGRAM

CAUTION / NOTICE / HINT

NOTICE:

  • First perform the communication function inspections in How to Proceed with Troubleshooting to confirm that there are no CAN communication malfunctions before troubleshooting this symptom.

    Click here

  • First perform the communication function inspections in How to Proceed with Troubleshooting to confirm that there are no CXPI communication malfunctions before troubleshooting this symptom.

    Click here

PROCEDURE

1.

CLEAR DTC

(a) Clear the DTCs.

Body Electrical > Main Body > Clear DTCs
NEXT

2.

CHECK FOR DTC

(a) Turn the ignition switch to ON.

(b) Wait 10 seconds or more.

(c) Turn the GTS on.

(d) Enter the following menus: Body Electrical / Main Body / Trouble Codes.

(e) Check for DTCs.

Body Electrical > Main Body > Trouble Codes

Result

Proceed to

B243900 and B243A00 are not output

A

B243900 is output

B

B243A00 is output

C

A

USE SIMULATION METHOD TO CHECK

C

GO TO STEP 6

B

3.

CHECK HEADLIGHT UNIT ASSEMBLY LH

(a) Interchange the headlight unit assembly LH with RH and connect the connectors to them.

Click here

(b) Clear the DTCs.

Body Electrical > Main Body > Clear DTCs
NEXT

4.

CHECK FOR DTC

(a) Turn the ignition switch to ON.

(b) Wait 10 seconds or more.

(c) Turn the GTS on.

(d) Enter the following menus: Body Electrical / Main Body / Trouble Codes.

(e) Check for DTCs.

Body Electrical > Main Body > Trouble Codes

Result

Proceed to

DTC B243900 is output

A

DTC B243A00 is output

B

B

REPLACE HEADLIGHT UNIT ASSEMBLY LH

A

5.

CHECK HARNESS AND CONNECTOR (HEADLIGHT UNIT ASSEMBLY LH - LIGHT CONTROL LED ECU LH)

(a) Remove the headlight unit assembly LH.

Click here

*a

Front view of wire harness connector

(Light Control LED ECU LH)

*b

Front view of wire harness connector

(Headlight Unit Assembly LH)

(b) Remove the wire harness.

Click here

(c) Measure the resistance according to the value(s) in the table below.

Standard Resistance:

Tester Connection

Condition

Specified Condition

A - [1] - B - [16]

Always

Below 1 Ω

A - [3] - B - [5]

Always

Below 1 Ω

OK

REPLACE LIGHT CONTROL LED ECU LH

NG

REPLACE HARNESS AND CONNECTOR

6.

CHECK HEADLIGHT UNIT ASSEMBLY RH

(a) Interchange the headlight unit assembly RH with LH and connect the connectors to them.

Click here

(b) Clear the DTCs.

Body Electrical > Main Body > Clear DTCs
NEXT

7.

CHECK FOR DTC

(a) Turn the ignition switch to ON.

(b) Wait 10 seconds or more.

(c) Turn the GTS on.

(d) Enter the following menus: Body Electrical / Main Body / Trouble Codes.

(e) Check for DTCs.

Body Electrical > Main Body > Trouble Codes

Result

Proceed to

DTC B243A00 is output

A

DTC B243900 is output

B

B

REPLACE HEADLIGHT UNIT ASSEMBLY RH

A

8.

CHECK HARNESS AND CONNECTOR (HEADLIGHT UNIT ASSEMBLY RH - LIGHT CONTROL LED ECU RH)

(a) Remove the headlight unit assembly RH.

Click here

*a

Front view of wire harness connector

(Light control LED ECU RH)

*b

Front view of wire harness connector

(Headlight Unit Assembly RH)

(b) Remove the wire harness.

Click here

(c) Measure the resistance according to the value(s) in the table below.

Standard Resistance:

Tester Connection

Condition

Specified Condition

A - [1] - B - [16]

Always

Below 1 Ω

A - [3] - B - [5]

Always

Below 1 Ω

OK

REPLACE LIGHT CONTROL LED ECU RH

NG

REPLACE HARNESS AND CONNECTOR

    Light Sensor Circuit Malfunction (B124400)

    DESCRIPTION The automatic light control sensor detects ambient light. The sensor creates an electrical signal based on the amount of light detected, and sends the signal to the main body ECU (multiplex network body ECU)...

    Low Beam LH Circuit Voltage Out of Range (B24441C,B24451C)

    DESCRIPTION The BIN resistance is equipped for the purpose of correcting variances in brightness (luminous flux) when the light control LED ECU is energizing the LED with a constant current to illuminate it...

    Other information:

    Toyota Yaris XP210 (2020-2026) Reapir and Service Manual: Installation


    INSTALLATION PROCEDURE 1. INSTALL INNER REAR VIEW MIRROR ASSEMBLY (w/o Pre-collision System) (a) Install the inner rear view mirror assembly as shown in the illustration. Install in this Direction (b) Using a T20 ''TORX'' socket wrench, install the screw...

    Toyota Yaris XP210 (2020-2026) Reapir and Service Manual: Camshaft Position Sensor "A" Bank 1 or Single Sensor No Signal (sub) (P034000)


    DESCRIPTION Refer to DTC P034011. Click here DTC No. Detection Item DTC Detection Condition Trouble Area MIL Note P034000 Camshaft Position Sensor "A" Bank 1 or Single Sensor No Signal (sub) No camshaft position sensor (for intake camshaft) signal to the sub ECM while engine running ECM Comes on SAE: P0340 MONITOR DESCRIPTION While the engine is running, when the VV1 (VV2) signal is not input to the sub CPU even though the VV1 (VV2) signal is input to the main CPU, the ECM judges that a malfunction has occurred in an internal ECM circuit, and illuminates the MIL and stores a DTC...

    Categories

    Fuel-Filler Lid and Cap

    WARNING

    When removing the fuel-filler cap, loosen the cap slightly and wait for any hissing to stop, then remove it

    Fuel spray is dangerous. Fuel can burn skin and eyes and cause illness if ingested. Fuel spray is released when there is pressure in the fuel tank and the fuel-filler cap is removed too quickly.

    read more

     
    Copyright © 2026 www.toyaris4.com