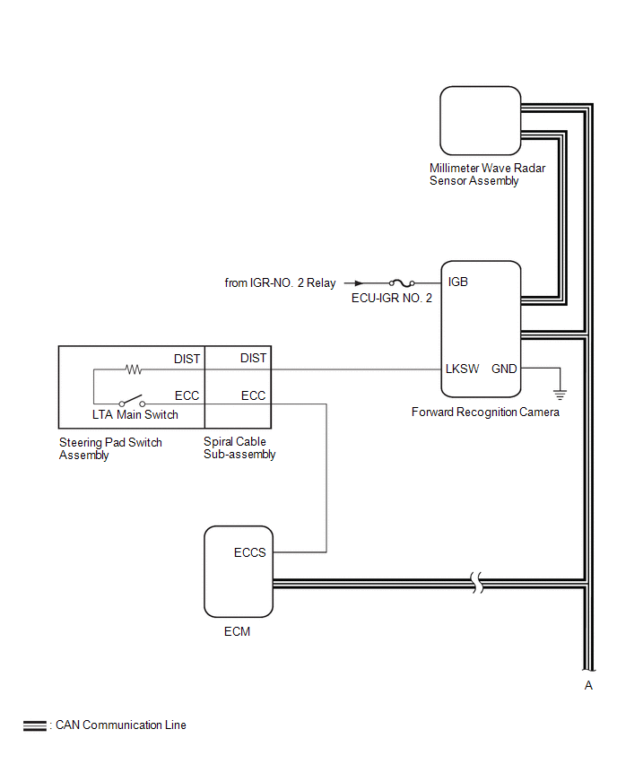
Toyota Yaris: Lane Tracing Assist System / System Diagram
SYSTEM DIAGRAM

PRECAUTION NOTICE: If the auxiliary battery has been discharged and charged or the cable has been disconnected and reconnected to the negative (-) auxiliary battery terminal, perform Steering Sensor Zero Point Calibration...
CAUTION / NOTICE / HINT HINT:
Use the following procedure to troubleshoot the lane tracing assist system.
*: Use the GTS.
PROCEDURE 1. VEHICLE BROUGHT TO WORKSHOP
NEXT
2...
Other information:
REMOVAL CAUTION / NOTICE / HINT The necessary procedures (adjustment, calibration, initialization, or registration) that must be performed after parts are replaced during forward recognition camera removal/installation are shown below. Necessary Procedure After Parts Removed/Installed/Replaced Replacement Part or Performed Procedure Necessary Procedure Effect/Inoperative Function when Necessary Procedure not Performed Link Forward recognition camera Adjust forward recognition camera
Dynamic Radar Cruise Control System
Front Camera System
Lane Tracing Assist System
Pre-collision System
Automatic High Beam System
One Time Recognition:
Sequential Recognition:
Driving Adjustment:
Update ECU security key Vehicle control history (RoB) are stored
NOTICE:
When replacing the forward recognition camera, replace it with a new one...
DESCRIPTION The AWD ECU assembly receives signals from the ECM, steering sensor and skid control ECU (brake actuator assembly) via CAN communication. DTC No. Detection Item DTC Detection Condition Trouble Area Warning Indicate Memory U010087 Lost Communication with ECM/PCM "A" Missing Message When the ignition switch is ON, the IG1 terminal voltage is 10 V or more and the vehicle speed is 60 km/h (37 mph) or more, signals cannot be received from the ECM for 1 second or more
CAN communication system
AWD ECU assembly
ECM
Displayed Yes U012687 Lost Communication with Steering Angle Sensor Module Missing Message
When the following continues:
When the IG1 terminal voltage is 10 V or more, communication with the steering sensor is impossible for 1 second or more
When the IG1 terminal voltage is 10 V or more, a condition in which communication with the steering sensor is impossible occurs 1 time or more within a 5-second period, and this occurs 10 times within 60 seconds
CAN communication system
AWD ECU assembly
Steering sensor
Displayed Yes U012987 Lost Communication with Brake System Control Module Missing Message When the IG1 terminal voltage is 10 V or more, communication with the skid control ECU (brake actuator assembly) is impossible for 3 seconds or more
CAN communication system
AWD ECU assembly
Skid control ECU (Brake actuator assembly)
Displayed Yes PROCEDURE 1...
Categories
The fuel gauge shows approximately how much fuel is remaining in
the tank when the ignition is switched ON. We recommend keeping
the tank over 1/4 full.

Full
1/4 Full
Empty
read more