Toyota Yaris: Sfi System / System Diagram
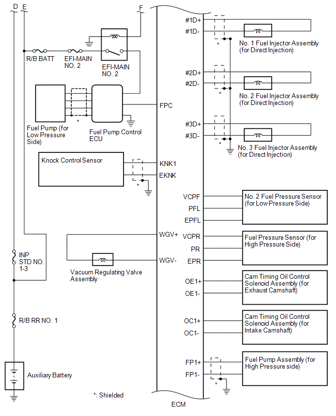
SYSTEM DIAGRAM

DEFINITION OF TERMS Term Definition Monitor Description Description of what the ECM monitors and how it detects malfunctions (monitoring purpose and details)...
CAUTION / NOTICE / HINT HINT: *: Use the GTS. PROCEDURE 1. VEHICLE BROUGHT TO WORKSHOP
NEXT
2. CUSTOMER PROBLEM ANALYSIS
NEXT
3...
Other information:
DESCRIPTION Problem Symptom Suspected Area Trouble Area
Engine does not crank
Engine cranks slowly
Auxiliary battery depletion
Starter malfunction
Starter system
Auxiliary battery depletion
Starter malfunction
Starter circuit
Excessive engine friction Engine Engine assembly
Starting time is long
Engine speed fluctuation due to abnormal combustion
Idle speed too low or high
The engine stalls immediately after starting
Strong engine vibration due to above symptoms
Ignition malfunction
Deviation in air fuel ratio (Excessive or insufficient intake air volume or fuel supply)
Insufficient compression
Changes in load from another system
Ignition system
Spark plug
Ignition coil assembly
Fuel system
Direct fuel injector assembly
Port fuel injector assembly
Fuel pump assembly (for high pressure side)
Fuel pump (for low pressure side)
Fuel pump control circuit
Fuel suction plate sub-assembly
Fuel main valve assembly
Fuel line
Purge VSV system
Fuel quality (existence of foreign matter, degradation)
Intake and exhaust systems
Mass air flow meter sub-assembly
Intake system
(Air leaks or deposit accumulation)
Throttle body with motor assembly
Air fuel ratio sensor (sensor 1)
Air fuel ratio sensor (sensor 2)
Cam timing oil control solenoid assembly
Variable Valve Timing system (VVT system)
Other control systems
ECM
Wire harness or connector
Knock control sensor
Engine coolant temperature sensor
Immobiliser system
Engine
Water control valve
Engine assembly
Crankshaft position sensor
High load from another system
Air conditioning system
Power steering system
Electrical load signal system
SYMPTOM AND CAUSE OF SYSTEM MALFUNCTION HINT: The following are descriptions of the characteristics of each system malfunction...
DESCRIPTION DTC No. Detection Item DTC Detection Condition Trouble Area DTC Output from B102004 Central Gateway ECU System Internal Failure A malfunction in the non-volatile storage of the central gateway ECU (network gateway ECU) is detected...
Categories
No special break-in is necessary, but a few precautions in the first 600
miles (1,000 km) may add to the performance, economy, and life of
the vehicle.
Do not race the engine.
Do not maintain one constant speed, either slow or fast, for a long
period of time.
Do not drive constantly at full-throttle or high engine rpm for
extended periods of time.
Avoid unnecessary hard stops.
Avoid full-throttle starts.
read more