Toyota Yaris: Air Conditioning System / System Diagram
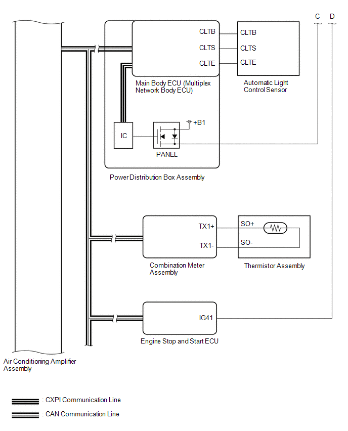
SYSTEM DIAGRAM

PARTS LOCATION ILLUSTRATION
*1 COMPRESSOR WITH PULLEY ASSEMBLY *2 AIR CONDITIONER PRESSURE SENSOR *3 POWER STEERING ECU ASSEMBLY *4 NO...
CAUTION / NOTICE / HINT HINT:
Use the following procedure to troubleshoot the air conditioning system.
*: Use the GTS.
PROCEDURE 1. VEHICLE BROUGHT TO WORKSHOP
NEXT
2...
Other information:
COMPONENTS ILLUSTRATION
*1 COVER AND DISC CLUTCH SET *2 MANUAL TRANSAXLE ASSEMBLY *3 CLUTCH RELEASE CYLINDER WITH BEARING ASSEMBLY *4 CLUTCH TUBE BOOT *5 CLUTCH RELEASE CYLINDER TO BLEEDER TUBE *6 CLUTCH RELEASE BLEEDER SUB-ASSEMBLY *7 BLEEDER CLUTCH RELEASE TUBE *8 CLAMP *9 CLUTCH RELEASE BEARING PLATE - -
Tightening torque for "Major areas involving basic vehicle performance such as moving/turning/stopping": N*m (kgf*cm, ft...
DIAGNOSIS SYSTEM FUNCTION OF WARNING INDICATOR AND MESSAGE (a) If the pre-collision system is not functioning properly, the driver is warned by the PCS warning light and a warning message is displayed on the multi-information display. Warning Message Detail DTC/RoB PCS warning light "Pre-Collision System Malfunction Visit Your Dealer" Pre-collision system malfunctioning Stored Illuminates "Pre-Collision System Radar In Self Calibration Unavailable See Owner's Manual" Millimeter wave radar sensor assembly misaligned Stored Illuminates "Pre-Collision System Out of Temperature Range Unavailable See Owner's Manual" Millimeter wave radar sensor assembly temperature malfunction Stored Illuminates "Pre-Collision System Unavailable See Owner's Manual"
Millimeter wave radar sensor assembly voltage malfunction
Determination was made for temporary suspension of system operation due to millimeter wave radar sensor assembly detecting interference from other nearby radar emitters
Stored Illuminates "Pre-Collision System Radar Sensor Blocked Unavailable Clean Radar Sensor" Foreign matter attached to millimeter wave radar sensor assembly Stored Illuminates "Front Camera Unavailable See Owner's Manual" Abnormal forward recognition camera voltage Stored Illuminates "Front Camera Out of Temperature Range Unavailable Wait until Normal Temperature" Forward recognition camera temperature outside of operational range Stored Illuminates "Front Camera Low Visibility Unavailable See Owner's Manual"
Foreign matter attached to forward recognition camera or area of windshield in front of forward recognition camera
Forward recognition camera or area of windshield in front of forward recognition camera is fogged up
Stored Illuminates "VSC Turned Off Pre-Collision Brake System Unavailable" VSC system is disabled Not stored Illuminates PCS Warning Light Illumination Status PCS Warning Light Condition Illuminates Pre-collision system malfunctioning Pre-collision system temporarily disabled During pre-collision system radar alignment Pre-collision system disabled VSC system disabled Not illuminated Other INITIAL CHECK (a) An initial check is performed when the ignition switch is off for more than 2 seconds and then turned ON...
Categories

Smart key
Auxiliary key
Key code number plate
To use the auxiliary key, press the knob and pull out the auxiliary key
from the smart key.

read more